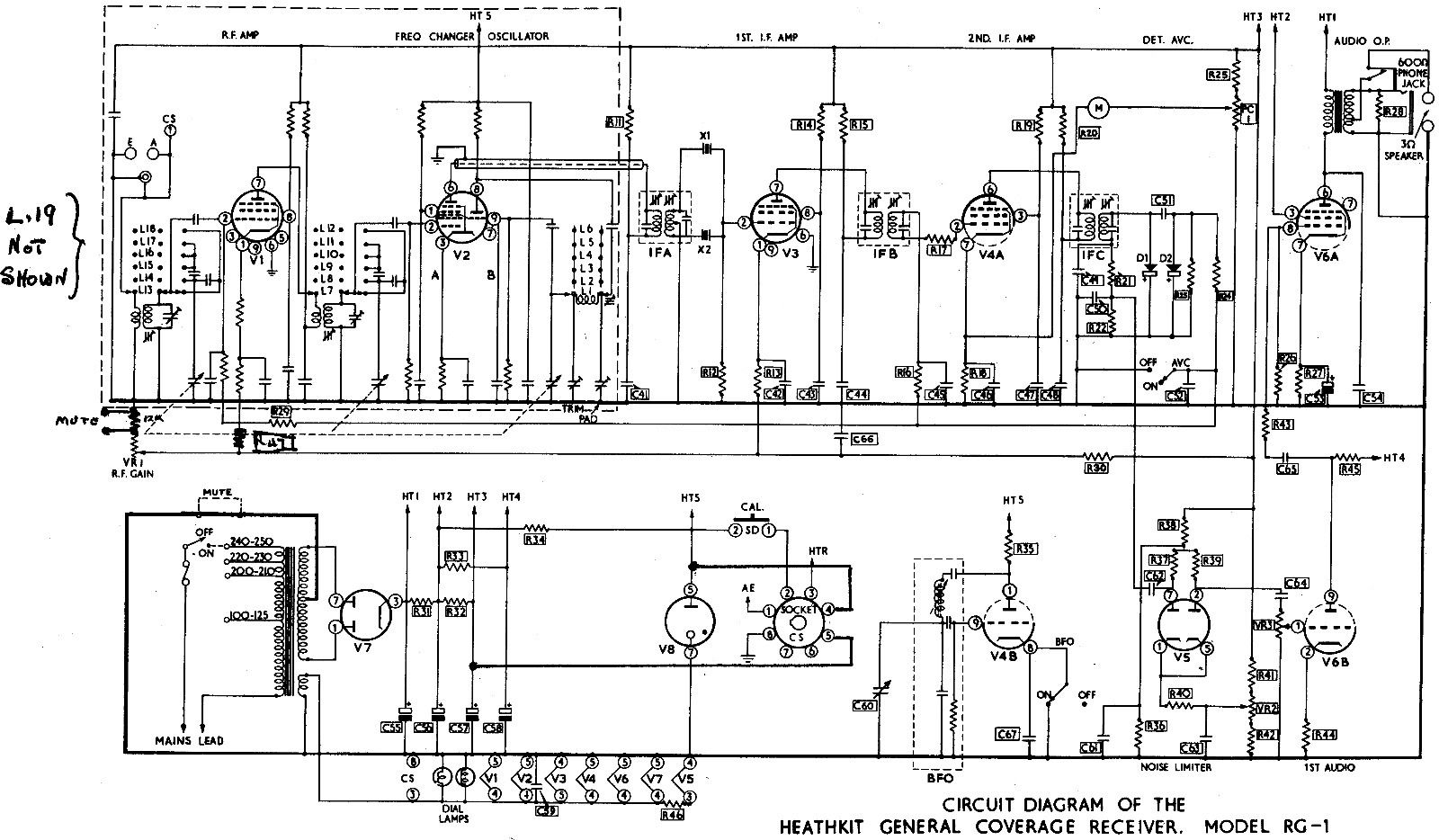
Heathkit RG-1
| Type: |
HF Receiver |
| Frequency Range: |
Band A: 0.6-1.5 MHz
Band B: 1.7-4.0 MHz
Band C: 3.9-8.0 MHz
Band D: 7.9-14 MHz
Band E: 13.9-22 MHz
Band F: 21.9 32 MHz |
| Modes: |
AM/SSB/CW |
| Voltage: |
Mains |
| Current Drain: |
? |
| Aerial Input: |
|
| Dimensions (W*H*D): |
349 x 165 x 292 mm |
| Weight: |
8.165 kg |
| Manufactured: |
England: 19xx-19xx |
| Other: |
|
| Related Documents: |
|
 |